
NB無線溫度變送器
量程:-50~400(℃)
精度:0.1%,0.2%,0.5%
供電:24V/3.6V鋰電池 26500
通訊方式:GPRS,4G,NB.IoT,LoRa


無線溫度變送器概述:
智能無線溫度變送器采用德國進口鉑熱電阻Pt100溫度傳感器和目前性能及穩定性都非常卓越的超低功耗的微處理器及高精度傳感器信號調理電路為一體的智能化溫度檢測儀表;在此基礎上加入了物聯網NB.IoT無線遠傳模塊,實現現場儀表數據到云端的無線傳輸。儀表按照設定間隔時間上報數據,客戶通過 Web 頁面實現遠程儀表配置和數據查閱,上傳下發數據均存進數據庫,便于后期查詢。通過互聯網 PC 或移動終端登錄相關網址即可獲取儀表數據,并實現對采集的數據統計、分析,形成報表和數據曲線,具有直觀、準確、高效的特點。基于 NB-IoT公網的廣泛覆蓋,可實現大區域范圍內的眾多監測點的實時監測,該系列產品廣泛應用于各種工業測溫系統中,如電力、冶金、化工、石化、造紙印染、釀造、煙草、航天基地等領域。
NB-IoT是物聯網領域-個新興的窄帶通信技術,具有廣覆蓋、大鏈接、低功耗、低成本等優勢,特別適合遠程抄表、傳感數據采集等工業場景使用,我廠 NB-IoT系列無線壓力變送器采用中國電信NB.IoT網絡進行數據傳輸,網絡穩定,數據傳輸可靠。
GJM-132G是一款GPRS傳輸的無線溫度變送器,憑借中國移動成熟的GPRS網絡,將現場的溫度上傳到客戶指定的IP地址。用戶可以通過按鍵或者遠程設定參數。
GJM-132L是一款LORa傳輸的無線溫度變送器,配合LORa網關使用,具有功耗低,傳輸距離遠(優于3km),信號穿透力強,自組網等優點,特別適合工業園區內的局域網需求。
GJM-132N是一款NB-IoT傳輸的無線溫度變送器,采用NB-IoT技術,具有功耗低,傳輸效率高,資費低等優點。
產品特點:
1)、更加穩定
本溫度變送器在傳統的基礎上,通過采用優質元器件、高精度可靠信號調理電路、防干擾電路、軟硬補償等多方面技術,并通過大量實驗和檢測使得儀表具有測量數據精確、抗干擾能力強、易于操作等優點。
2)、無線傳輸
以往的各種溫度變送器一般具有4~20mA輸出信號,有的還是就地顯示方式,需要通過導線將信號送到值班室采集或值班人員到現場抄錄數據,由于工業現場環境較為惡劣,供電系統不穩定、維護設備造成導線損壞及難于管理等原因,造成數據取得的不可靠、不真實。本溫度變送器采用目前世界上最先進的微功率無線通訊技術,測控儀表、監測裝置均工作在480MHz-900MHz無線開放頻段,在電路的設計上采用低功耗設計,電路進行了溫度補償,最高精度優于0.1℃,無線傳輸方式具有多種選擇, 包括GPRS/LORa/NB-iot多種傳輸方式可選。現場的數據、報警、保護等參量,均能無線、可靠傳輸到客戶控制平臺,克服了以往需要人員現場抄表和用導線長距離輸送的不便,從而達到以人為本、節約的目的。
3)、節能環保
傳統的溫度變送器,需要有市電交流或直流供電;而本儀表采用最新低功耗技術,用高功率鋰電池供電,3.6V單節電池可以可靠使用一年半以上,儀表無需考慮后端的負載問題,無后續的A/D轉換,直接將高精度的測量數據值無線發送到值班室的接收終端機上,再通過終端機上傳后臺進行統一的數據管理。
系統原理:
無線溫度變送器的探頭插于管道中,當管道中的介質作用于感溫元件上,使之受溫,其內部電路檢測出與過程溫度成正比的電信號,通過線性放大電路對該信號進行精確的放大、補償等處理后,進入微處理器進行數據的測量、處理、顯示,并將測量數據無線傳輸到遠方的終端設備上。
產品特點:
a.低溫/高溫報警,即時上發報文
b.無線傳輸功能,定時上發報文
c.開關機功能,上發頻率可選,溫度采集頻率可選
d.遠程配置或按鍵設置報警點、上發頻率等(GPRS/NB-iot)
e.配備網關,可實現局域網內的高效監控(LORa)
f.數據配置 按鍵配置或者遠程配置
g.報警點設置 高低報警點全量程可設
h.冷端溫度自動補償,非線性校正電路
i.帶顯示、電池供電、精度高、抗干擾、免維護。
技術指標:
項目內容 | 參數 | 備注 |
型號 | GJM-132N | |
量程 | -50~400(℃) | -50...0...50...100...400℃任意定制 |
測溫元件 | Pt100鉑電阻 | 可定制 |
精度 | 0.5% | 可定制0.1%,0.2%高精度價格另儀 |
供電電源 | 3.6V鋰電池,容量9900mAH*2 | 可用3-5年,根據采集頻率決定,3.6V鋰電池 或24V/12V電源可選 可選用雙供電 |
現場顯示 | LCD 超低功耗顯示器 | |
按鍵 | 校零、開關、采集頻率切換 | |
重量 | 1.6kg | 以實物為準 |
電磁兼容 | GB/T 17626.2/4-2006 | 抗電磁干擾 |
環境溫度: | -30℃~+85℃ | 高溫可定制 |
感溫元件材質 | 不銹鋼 304 | 可定制316L |
相對濕度 | 0%~95% | |
零點溫度漂移 | ±0.015%FS/℃ | |
靈敏度溫度漂移 | ±0.015%/℃ | |
采樣速率 | 1秒/次~600秒/次可選 | |
上發速率 | 1-1440分鐘可設 | |
長期穩定性 | ±0.5%FS/年 | 高精度可定制 |
振動 | ≤3g/10Hz...150Hz(IEC 60068-2-6-2007) | |
傳輸方式 | NB-IoT TCP/UDP/CoAP協議 | GPRS/4G/LoRa可定制 |
傳輸距離 | 取決于NB基站 | |
適用介質 | 油、氣、水等液體 | |
防爆等級 | ExdⅡBT4 | |
安裝方式 | 國標M20*1.5外螺紋 | 螺紋規格可定制G1/2,G1/4,1/4NPT等,可定制 |
探頭長度/管徑 | 可定制 | |
天線形式 | 外置一體式 | 內置、外置(對于信號弱的地方可選擇外置分體天線) |
殼體材質 | 鑄鋁防爆殼體 | 可定制不銹鋼外殼 |
殼體顏色 | 默認軍綠色通磨 | 1000臺以上顏色可定制 |
技術優勢:
◎ 采用低功耗處理器
◎ 內嵌NB-IoT網通信模組
◎ 內嵌精密時鐘、自動校時,與 Internet 時間同步
◎ 高精度內部 AD 檢測溫度變化,內置溫度補償程序,對溫度變化不敏感。
◎ 專用上位機軟件設置參數
◎ 內嵌看門狗,不死機
◎ 支持深度休眠,按鍵喚醒功能
◎ 支持數據存儲功能
◎ 鋰離子電池供電
◎ 具有數據存儲,數據補發功能
◎ 具有電池電量低短信報警功能
◎ 外殼防護等級:IP65
◎ 具有防反接、防浪涌、防震、防潮、防雨、防有害氣體功能。
◎ 精度高、抗干擾、免維護
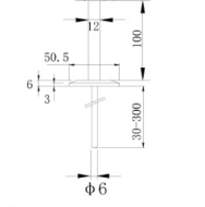
外形尺寸圖:
螺紋連接


卡箍連接


地質監測儀表
活塞式壓力計/壓力源
- GM系列活塞式壓力計
- 臺式液體壓力源
- 臺式氣體壓力源
- 氣體活塞壓力計
- 活塞式壓力真空計
- YS改良型活塞壓力計
- 活塞式壓力計
- 電動微壓標準器
- 氣體減壓器校驗儀
- 氧氣表壓力表兩用校驗器
- 壓力表校驗器校驗儀
- 活塞壓力計數字顯示系統
- 空盒氣壓表檢定裝置
- 電動微壓源
- 全自動液體壓力源
- 管道試壓壓力天平
- 浮球壓力計
- 全自動活塞壓力計
- 便攜式液體壓力源
- 電動壓力源
液位儀表
- 80G超高溫雷達物位計
- 電廠專用四氟高頻雷達物位計
- 側裝磁翻板液位計
- 雷達水位計
- 26G油罐專用雷達液位計
- 26G強腐蝕雷達液位計
- 26G高頻雷達物位計
- 80G調頻雷達液位計
- 80G桿式射頻導納物位開關
- 液位顯示控制箱
- 投入式液位變送器
- 80G纜式射頻導納物位開關
- 桿式導波雷達
- 激光雷達料位計
- 連桿浮球液位計
- 靜壓式水準儀
- 河道浮子液位計
- 液位變送器
- 26G粉塵雷達物位計
- 26G高溫雷達物位計
密度計
- GJM-SHJ型石灰漿液在線密度計
- GJM-JJ型酒精在線密度計
- GJM-85管道密度計
- 差壓式密度計
- 分體式密度傳感器
- 濃度計
- 衛生型密度計
- 耐高溫音叉密度計
- 管道式音叉密度計
- 直管密度計
- 便捷式音叉密度計
- GJM-KG型(卡箍安裝形式)音叉式濃度計
- GJM-QFS氫氟酸專用濃度計
- GJM-YS鹽酸專用濃度計
- GJM-LS硫酸專用濃度計
- GJM-YS型鹽酸在線密度計
- GJM-KG型音叉式密度計(卡箍安裝形式)
- GJM-AS型氨水在線密度計
- GJM-XS硝酸專用濃度計
- GJM-NS型尿素濃度計
物聯網無線溫壓變送器
- Cat1無線溫度變送器
- loRa壓力變送器(高溫型)
- NB無線液位變送器
- NB無線溫度變送器
- NB無線壓力變送器
- 電解液無線變送器
- CAT1無線溫濕度變送器
- CAT1無線壓力變送器
- GNSS自動檢測站
- 無線雷達水位計
- 無線流量計
- 無線磁致伸縮液位計
- 無線浮球液位計
- 無線差壓變送器
- 無線溫壓變送器
- 油田專用壓力變送器
高精度壓力表
- 防爆數字壓力表
- 數字壓力控制器
- 計量級數字壓力表
- 精密數字壓力表
- 計量級精密壓力表
- 臺式數字壓力表
- 特殊精密壓力表
- 各類普通壓力表
- 智能數字壓力校驗儀
- 高精度大氣壓力計
- 氣密性測試儀
- 高精度壓力模塊
- 存儲型數字壓力表
流量儀表
- 智能一體式渦街流量計
- 溫壓補償一體化渦街流量計
- 插入式渦街流量計
- 智能氣體渦輪流量計
- MF4003/4008微小氣體流量流量計
- 智能一體式電磁流量計
- 羅茨流量計
- 圓齒輪流量計
- 智能氣體旋進旋渦流量計
- 一體式孔板流量計
- 液晶顯示金屬管轉子流量計
- 就地顯示金屬管轉子流量計
- MF5706/08/12氣體質量流量計
- 手持式超聲波流量計
- 固定外夾式超聲波流量計
- 智能液體渦輪流量計
- 插入式電磁流量計
- 分體式電磁流量計
壓力變送器
熱工校驗儀
- 全自動溫度檢定系統
- 便攜式全自動壓力檢定系統
- 全自動壓力檢定系統
- 高精度溫度顯示儀
- 干體式校驗爐
- 溫度檢定爐
- 恒溫水槽
- 恒溫油槽
- 便攜式熱電偶校驗儀
- 便攜式熱電阻校準儀
- 信號過程校驗儀
- 壓力表檢定附件產品

